Контакты
Новости
Каталоги
 Войти
Сортировать:
Сначала новые
Сначала старые
Цена ↑
Цена ↓
Кол-во ↑
Кол-во ↓
Имя A→Я
Имя Я→A
Серийник ↑
Серийник ↓
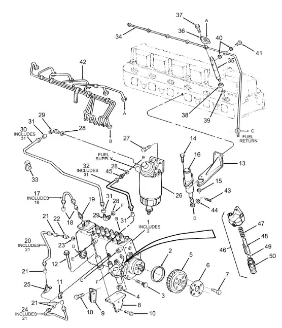
AGCO3708743M1
1 226 ₽
AGCO3708744M1
11 428 ₽
87800728 - штуцер
4 783 ₽
AGCO3708754M1
1 356 ₽
87800854 - топливный
286 ₽
87800864 - Трубка
7 230 ₽
AGCO304200101020 -
4 072 ₽
AGCO260300902010 -
4 072 ₽
AGCO2.2999.026.0
4 075 ₽
AGCO3470821M91
4 074 ₽
«
<
1
...
34115
34116
34117
>
»
Страница:
Перейти