Контакты
Новости
Каталоги
 Войти
Сортировать:
Сначала новые
Сначала старые
Цена ↑
Цена ↓
Кол-во ↑
Кол-во ↓
Имя A→Я
Имя Я→A
Серийник ↑
Серийник ↓
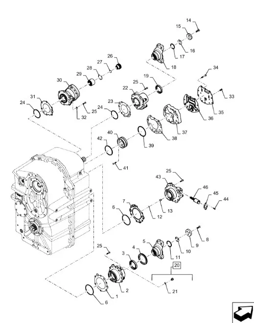
428183A1 - Подшипник конич. в сб. вала КПП/ВОМ TJ T9./St.
13 783 ₽
84597068 - Фильтр топл. тонк. оч. ДВС Cursor10/13 T9,T9.505/St., CR, Tr., Str.
2 373 ₽
5096729 - Фильтр масл. с лого Case ДВС TD5.110/JX110
1 286 ₽
84476646 - Фильтркартридж гидравл. TMT7/MXMPm до 08г.в
9 005 ₽
86566566 - Штуцер 3/8"24 муфты гидравл. включения TC5, CS, CSX, CX6, CR9080"
29 792 ₽
504070037 - Прокладка крышки клап. ДВС NEF4,5 экс.погр. CNH
2 299 ₽
9823420 - Подшипник кон. корп. дифф. моста задн. TGT8./Mg., TJT9./St., редукт. ДВС 6130/40/50
11 929 ₽
84372057 - Фильтр масляный ДВС TJ/St. STX
4 534 ₽
5801625923 - Сальник передн. коленв. ДВС Cursor10/13 T9 T9./St., CR
5 281 ₽
87347945 - Набор втулок и роликов подв. сид. опер. TGT8./Mg., TJT9./St.
10 098 ₽
253931A1 - Крышка подш. крышки корпуса дифф. моста задн. T8./Mg., TJT9./St.
31 039 ₽
47809628 - Компрессор конд. (7H15, 8 руч. муфта) TG T8./Mg., TJT9./St.
55 759 ₽
84373502 - Ремень прив. ген., насоса вод., компр. конд. ДВС T8./Mg. 11 14г.в., Axion9
5 654 ₽
47677096 - сальник
4 376 ₽
228193A1 - Диск сепар. муфты торм. моста TJT9./St.
21 607 ₽
84466102 - Поршень муфты торм. моста 450сер. T9./St.
77 040 ₽
427562A1 - Шайба толщинная 0,7 мм фланца крестовины КПП TJT9./St.
3 521 ₽
85000175 - Редуктор МКШ жатки H/E Cap, Vari, 720, 2030
214 042 ₽
84170773 - Вал карданный (демпфер ДВС редуктор повыш.) КПП T8.
134 822 ₽
84286727 - Патрубок возд. впускной ДВС T8./Mg. 1114г.в.
94 852 ₽
47533795 - Ремень привода вала соломотряса 3140мм CX6
14 492 ₽
86566790 - Цепь (H 1я ст. усил.) прив. выгр. шнека CX8, CR сн до 799
5 692 ₽
370568A1 - Держатель вала 5го КПП TJT9./St.
36 536 ₽
0 ₽
«
<
1
...
5
6
7
8
9
...
34117
>
»
Страница:
Перейти